農業用機器(一覧)

スーパーシャッタースケール

穀物(主に玄米、白米)供給用に開発された高精度供給シャッターです。
被計量物の流れ具合により外側より簡単に流量調整が可能です。

外観

外観

特長

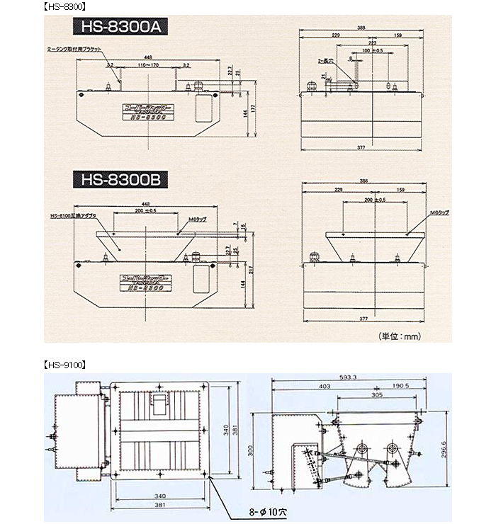
○ HS-8300型シャッターはACソレノイドによる3段式制御です。2段式制御盤との組合せで2段制御も可能です。
○ HS-9100型シャッターはエアーによるゲート制御です。FSD-1000型フレコン等ひょう量が大きいタイプの自動制御に向いています。

仕様

型式 HS-8300 HS-9100
能力 4t/hr(白米30kg計量時) 12t/hr(白米1t計量時)
制御方式 三段制御 二段制御
駆動方式 ACソレノイド エアーシリンダー
エアー源   0.4MPa(10L/min)
電源 AC100V AC100V
重量   30kg
オプション 3段式制御盤
計量部
サンプル抽出装置
フィルタ・レギュレータ

外形

外形

外観及び仕様は改良のため予告なく変更する場合があります。

関連機器

  • TR-ホッパー
    (TR-30K)

    TR-ホッパー
  • FSD型フレコンスケール

    FSD型フレコンスケール

製品に関する詳細な情報や外形図をご希望の場合はカタログダウンロードをご利用ください。
その他のお問い合わせはこちらからお願いします。

Page top