Industrial Weighing Scales(List)
Digi-pallet
Model No. (DPS-1000J/1500J/1000K-SUS/1500K-SUS)
Hand pallet can carry and weigh in 1 device that can save your works!
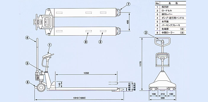
Appearance
Features
○ Large and easy-viewable digital display!
○Tip of fork and intermidiate roller is made for inserting easily into a pallet(except products stainless steel )
○ DPS-1000K-SUS/DPS-1500K-SUS are made of stainless steel and can be washed with water
○ All products have gone through model examination and can also be used for transaction certification
Specification
Model | DPS-1000J | DPS-1500J | DPS-1000K-SUS | DPS-1500K-SUS |
---|---|---|---|---|
Capacity of Scale | 1,000kg | 1,500kg | 1,000kg | 1,500kg |
Scale interval | 500g | 1kg | 500g | 1kg |
Main Material | Steel | Stainless steel | ||
indicator | AD-4406A ・LCD font height:25mm ・One-push tare weight subtraction function ・Non-watertight type |
FIS2 ・Font(red LED):25mm in height ・One-push tare weight subtraction function ・With the fixed tare weight subtraction function ・Moisture subtraction function ・Code registration 99 kinds ・Attached charger(AC-100V) ・Waterproof type |
||
Operatioting temperture range | -10℃~40℃ | -10℃~40℃ | ||
Platform Dimension | Fork length:1,350mm Outside width:590mm | |||
Maximum Height | 196mm | 200mm | 196mm | 200mm |
Minimum Height | 82mm | 86mm | 82mm | 86mm |
Power Supply | Dry battery:C size,6pcs/Continuous operating time:Approx.40 hrs | Rechargeable battery(built-in)/Continuous operating time:Approx.45 hrs | ||
Examination | Attached | Attached |
External form
Contact us from here.